热门关键词:
一、项目概况
本项目为山西xx焦煤集团煤业有限公司办公区、住宿区、机修车间区超低温热水型空气源机组设备及安装工程,位于山西省临汾市,总采暖面积共约70000㎡。本项目原采用燃煤锅炉提供热源,末端大部分为暖气片,部分为风机盘管,使用低环境空气源热泵机组替代燃煤锅炉作为热源,热泵机组放置位置要保证热泵机组换热及售后维护的空间。该项目从2017年11月投入使用至今,采暖效果良好,室内平均温度18℃,费用平均约22元/㎡,获得用户认可。
本项目分为多个单独采暖工程,各个建筑的情况如下表所示:

二、设计依据
甲方提供的建筑图纸及工程资料;《采暖通风与空气调节设计规范》(GB50019-2012);《民用建筑供暖通风与空气调节设计规范》(GB50736-2012);《实用供热空调设计手册》;《通风与空调工程施工规范》GB50738-2011;《通风与空调工程施工质量验收规范》GB50243-2011;《辐射供暖供冷技术规程》JGJ 142-2012;《全国民用建筑工程设计技术措施 / 暖通空调•动力》2009版
三、气候参数
3.1室外参数
乡宁县位于位于山西省西南端,属暖温带大陆性气候,年均气温10℃左右,一月平均温度-6℃,年降雨量600毫米,无霜期150天。依据《全国民用建筑供暖通风与空气调节设计规范》(GB50736-2012)室外环境计算温度的要求,临汾当地的室外气象参数如下表所示:

3.2室内计算参数
由于项目建筑类型和使用用途不同,对温度的需求也不一样。例如,办公室及员工宿舍对温度要求就要满足18℃以上,而厂区没人工作时只需要维持不被冻即可,在5℃以上即可。具体见下表:

四、负荷计算及机组选型
该项目空气源热泵采暖机组的选取要依据当地冬季采暖室外计算温度(-6.6℃),热负荷根据不同建筑和用途分别取值。各区域选择的空气源热泵机组的型号及数量如下表所示:

主要设备参数如下表所示:

注:额定制热工况:室外环境温度7℃DB/6℃WB,进水40℃,出水45℃;名义制热工况:室外环境温度-12℃DB/-14℃WB,进水36℃,出水41℃;使用范围:环境温度-25~45℃。
超低温热泵采暖机组制热量随环境温度的变化曲线如下图所示:


机组制热曲线
五、系统设计及注意事项
该项目为改造项目,用空气源热泵替代燃煤锅炉采暖,原有的末端散热片数量不够,可以向客户建议把一些采暖需求高的,如员工宿舍,增加散热片的数量。另外,矿区杂质和污垢比较多,要注意清洗末端。
该项目位于山区,温度比较低,湿度相对较大,要注意化霜水的排放,可以通过管道把化霜水排放到该去的地方,并且管道要装伴热带,防止管道里的水结冰;确实没有排放条件的,一定要把主机高度抬高,建议基础做到50公分以上。
主机间的间距一般前后是50公分,左右是100公分,但有时候会因为现场安装地方不够,这时候要跟客户说明情况。另外要保证主机周围的空间,不要靠墙太近。
山区项目要考虑避雷,虽然说设备只是在冬天使用,但其他季节如何被雷击的话,还是会损坏设备的,可以在机组边上的高处建避雷针。
主机的配置要根据实际情况和用户需求去设计方案,不同用途的场所对温度需求也不一样,在设计方案时要多和客户沟通,不能简单的按总采暖面积和热负荷值去选型。
噪音是热泵工程中一个很重要的问题,在安装时要注意减震。
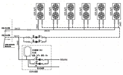
六、系统原理图(部分)

七、各种热源运行费用对比

八、项目现场

